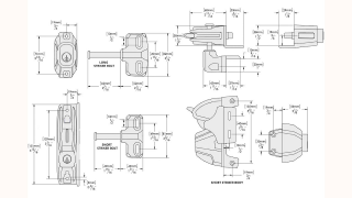
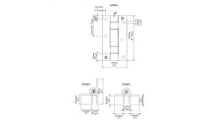
Components

Check Out Our Variety of Posts, Hardware & Accessories!

Please Contact For Pricing
Please Contact For Pricing
Please Contact For Pricing
Please Contact For Pricing
Please Contact For Pricing
Please Contact For Pricing
Please Contact For Pricing
Please Contact For Pricing
Please Contact For Pricing
Please Contact For Pricing